Acrel Medikal IT Sisteminin Malezya Hastanelerinde Uygulanması
Ana Sayfa / Projeler / Hastane / Acrel Medikal IT Sisteminin Malezya Hastanelerinde Uygulanması

Acrel Medikal IT Sisteminin Malezya Hastanelerinde Uygulanması

Hastanelerde elektronik tıbbi ekipmanların kullanımının artmasıyla birlikte kaçak akım riski, özellikle kritik bakım ortamlarında hasta güvenliği açısından önemli tehditler oluşturmaktadır. Cerrahi işlemler veya anestezi sırasında hastalar doğrudan çeşitli elektrotlara ve sensörlere bağlanır. Tıbbi cihazların insan vücuduyla doğrudan teması halinde minimum kaçak akımlar bile elektrik çarpmasına neden olabilir.

Ayrıca kritik hastalara yönelik yaşam destek ekipmanlarının kesintisiz çalışması gerekir. Herhangi bir elektrik kesintisi hastaların hayatını anında tehlikeye atabilir. Bu nedenle, hastane elektrik sistemleri, belirlenen alanlarda BT güç kaynağı sistemlerini uygulayarak ulusal standartlara kesinlikle uymak zorundadır.

Bu vaka çalışması Acrel'in tıbbi izole güç kaynağı sisteminin Malezya'daki uygulamasını göstermektedir ve şunları içermektedir:

Tıbbi BT güç dağıtımı

Yalıtım izleme cihazları

Arıza tespit sistemleri

Bize Ulaşın
  • Projeye Genel Bakış
  • Projeye Genel Bakış
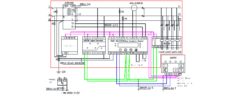
    Malezya I.E.D, SELANGOR DARUL EHSAN'da bulunmaktadır, proje esas olarak Malezya'daki ada hastanesinde kullanılmaktadır, ürünler 3 set hastane izole güç sistemi için 12 devre izolasyon arıza tespiti için kullanılmaktadır, ilgili ürünler izolasyon izleme cihazı AIM-M200, sinyal test jeneratörü ASG150, merkezi alarm göstergesi AID150, izolasyon arıza tespit cihazı AIL150-8, AIL150-4 ve kaçak akım trafosudur. AKH-0.66P26.


    Tıbbi BT Sistemine Giriş
    ACREL medikal IT sistemi izolasyon izleme cihazı ve arıza tespit sistemi, hastane ameliyathanesi, yoğun bakım ünitesi (CCU) ve diğer önemli yerler için uygundur ve bu tür sürekli, güvenilir güç çözümleri için güvenli bir yer sağlayabilir.


    Tıbbi Mekanlar için Güç Kaynağı Çözümü
    Yoğun Bakım Ünitesi, CCU koğuşu Dağıtım Çözümleri (örneğin, GGF-I8G izolasyonlu elektrik kabini sistem şeması)


    Arıza tespit fonksiyonu olmayan Seçenek I


    Arıza tespiti fonksiyonlu Seçenek II

    NOT: Yoğun bakım ünitesi güç dağıtım çözümlerinde hemşire istasyonuna AID serisi merkezi alarm ve görüntüleme cihazı takılmalıdır, hemşire istasyonu hastane personeli her izole edilmiş güç sisteminin Çalışma durumunu izler.


    Ameliyathane Dağıtım Çözümleri (örneğin GGF-O8G izolasyonlu elektrik kabini sistem şeması)

    Yalıtım hatası tespit fonksiyonu olmayan Seçenek I


    Yalıtım hatası konum fonksiyonlu Seçenek II

    1. Ameliyathane güç dağıtım çözümlerinde, AID serisi harici alarm ve görüntüleme cihazları ameliyathane içindeki istihbarat paneli üzerine veya istihbarat panelinin yanına (duvara montajlı kurulum) monte edilmelidir. Ameliyat sırasında sağlık personeli izole edilmiş güç sisteminin sağlığını izler.

    2. Yalıtım arızası tespit fonksiyonlu şemada, bulunan kanal sayısı sekizden fazla ise iki takım AIL150 tespit cihazı kullanılabilir. Kombinasyon AIL150-8 ve AIL150-4 (12 kanala kadar) veya AIL150-8 ve AIL150-8 (16 kanala kadar) olabilir.

    3. Tipik bağlantı şeması






    4. 7 Parçalı Tıbbi BT'ye Giriş

    Ürün adı ve türü Ürün resmi Açıklama
    AITR serisi tıbbi izolasyon transformatörü AITR serisi izolasyon transformatörü özellikle tıbbi bilişim sistemlerinde kullanılır. Sargılar çift yalıtımla kaplanmıştır ve sarımlar arasındaki elektromanyetik girişimi azaltan elektrostatik koruma katmanına sahiptir. PT100 sıcaklık sensörü, transformatörün sıcaklığını izlemek için tel torbaya monte edilmiştir. Tüm gövde, mekanik mukavemeti ve korozyon direncini artıran vakum istila boyası ile işlenir. Ürün iyi bir sıcaklık artış performansına ve çok düşük gürültüye sahiptir.
    AIM-M200 tıbbi akıllı izolasyon izleme cihazı AIM-M200 tıbbi itelligent yalıtım izleme cihazı, yüksek entegrasyona, kompakt boyuta, kolay kuruluma sahip ve itelligence, dijitalleştirme ve ağ oluşturmayı bir arada birleştiren gelişmiş mikro denetleyici teknolojisini benimser. Ameliyathane ve yoğun bakım üniteleri gibi Sınıf 2 tıbbi mekanlardaki izole güç sistemlerinin izolasyon izlemesi için ideal seçimdir.
    AKH-0.66P26 akım trafosu AKH-O 66P26 tipi akım trafosu maksimum ölçülebilir akımı 60A ve dönüşüm oranı 2000:1 olan AIM-M200 izolasyon monitörünü destekleyen koruyucu akım trafosudur. Akım trafosu vidalanarak doğrudan kabinin içine sabitlenir ve ikincil taraf, kurulumu ve kullanımı uygun olan terminal tarafından dışarı çıkarılır.
    AIL150-4/AIL150-8 yalıtım hatası bulucu AIL150-4/AIL150-8 yalıtım hatası bulucu adopts high sensitivity transformer combined with a high precision signal detecting circuit, which detects the signal imported into the system from the ASG150 test signal generator and accurately locates the circuits which have insulation faults. AIL150-4 insulation fault locator can locate the insulation faults of 4 circuits, and the AIL150-8 insulation fault locator can locate the insulation faults of 8 circuits.
    ASG150 test sinyali üreteci ASG150 test sinyali üreteci, spesifik test sinyalinin oluşturulmasını gerçekleştirmek için 32 bitlik bir mikroişlemci çipi ve yüksek hassasiyetli sinyal oluşturma devresini kullanır. İzlenen IT sisteminde yalıtım hataları olduğunda, yalıtım hatası konumunu gerçekleştirmek için yalıtım hatası konumuyla çalışarak başlatılabilir ve zamanında bir test sinyali üretebilir.
    HDR-60-24 güç modülü HDR-60-24 doğru akım güç kaynağı, AIM-M200 için aynı anda 24V DC güç kaynağı sağlayabilir
    tıbbi akıllı yalıtım izleme cihazı, ASG150 test sinyali üreteci, AIL150 serisi yalıtım hatası bulucu ve AID150 merkezi alarm ve görüntüleme cihazı Güç kaynağı, yukarıda belirtilen ölçüm cihazlarının güç kaynağı gereksinimlerini karşılayabilen ve önerilen güç kaynağı ürünü olan yüksek kapasiteli, kararlı voltaj çıkışı ve uygun kuruluma sahiptir.
    AID1 50 merkezi alarm ve görüntüleme cihazı AID150 merkezi alarm ve görüntüleme cihazı, LCD sıvı kristal ekranı benimser ve AIM-M200 tıbbi akıllı yalıtım izleme cihazının çok kanallı verilerini gerçek zamanlı olarak izleyebilen RS485 iletişim arayüzü aracılığıyla AIM-M200 tıbbi akıllı yalıtım izleme cihazı ile veri alışverişini gerçekleştirir.

    Tesis İçi Fotoğraflar



Acrel Co., Ltd.