Bağlanmaya hoş geldiniz
Yeni enerji sektörünün hızlı gelişimi bağlamında, aşağıdaki gibi senaryolar ticari ve endüstriyel enerji depolama , pil değiştirme istasyonları ve ev tipi fotovoltaik depolama sistemleri konusunda daha yüksek talepler ortaya koydu doğruluk, uyumluluk ve zeka arasında elektrik ölçümü . Acrel Electric, geniş bir yelpazede yeni enerji destekleyen enstrümantasyon çözümleri geliştirmiştir. Bu çözümler, düşük güçlü ev uygulamalarından büyük ölçekli endüstriyel ve ticari enerji depolama sistemlerine kadar ölçüm ihtiyaçlarını kapsayan, farklı uygulama senaryolarının temel gereksinimleri için özel olarak tasarlanmıştır. Çözümler, yeni enerji sistemlerinin istikrarlı çalışması ve hassas ölçümü için güvenilir destek sağlar.
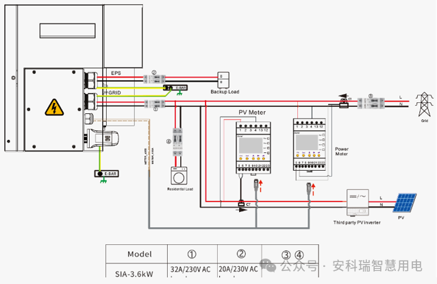
Konut fotovoltaik ve enerji depolama, yeni enerjinin yaygınlaşması için önemli bir uygulama senaryosunu temsil etmektedir. Acrel, aşağıdakiler de dahil olmak üzere farklı alt senaryoları hedef alan son derece uyumlu enstrüman ürünleri geliştirmiştir: enerji depolama invertör eşleştirmesi, hibrit invertör entegrasyonu, balkon fotovoltaik depolama sistemleri ve mikro enerji depolama noktadan noktaya şeffaf iletim sistemleri . Bu ürünler entegrasyonu, ölçüm hızını ve iletişim esnekliğini dengeler.
Fotovoltaik ve enerji depolama sistemlerinde çok marka uyumluluğuna ilişkin pazar özelliklerine yanıt olarak, profesyonel temsilciler için belirsiz kurulum koşullarına uyum sağlamak amacıyla RS485 CT konfigürasyonu benimsenmiştir. Cihazlar CE-MID, UL ve RCM uluslararası sertifikalarına sahiptir. 50 ms'lik yüksek hızlı veri yenileme hızına sahip cihazlar aynı zamanda faz sırası ayarını da destekleyerek doğru ölçüm ve güçlü uyumluluk sağlar.
Hepsi bir arada enerji depolama invertör tasarımlarının yüksek entegrasyon gereksinimleri ve yenileme senaryolarındaki çift kanallı ölçüm gereksinimleri için cihazlar, gerilim ve akım hızlı takılabilir terminaller ve RJ45 iletişim bağlantı noktalarıyla donatılmıştır. Ayrıca 50 ms'lik veri yenileme hızlarını ve faz sırası ayarlamasının yanı sıra kapsamlı bir sertifikasyon sistemini de destekliyorlar; bu da onları hem yenileme hem de yeni kurulum senaryolarına uygun hale getiriyor.
Balkonlarda düşük güçte dağıtılan fotovoltaik ve enerji depolama sistemleri için özel olarak tasarlanan bu çözüm, yüksek entegrasyonu uygun kurulum ve devreye alma ile dengeler. ek olarak çift kanallı ölçüm ve hızlı takılabilen terminaller aynı zamanda destekliyor WiFi, WiFi HaLow ve Bluetooth hata ayıklama işlevleri . Kablosuz tasarım, küçük ölçekli senaryolarda kurulumu önemli ölçüde basitleştirir ve ürün CE-RED sertifikasına sahiptir.
Adreslemek için zayıf penetrasyon ve dengesiz ağ performansı arasında traditional WiFi in micro-energy storage scenarios, WiFi HaLow (Sub-1GHz) iletişim teknolojisi benimsenmiştir. Geleneksel WiFi ile karşılaştırıldığında daha güçlü penetrasyon kapasitesi ve daha uzun iletim mesafesi sağlar. LoRa iletişimi ile karşılaştırıldığında daha yüksek iletim hızı ve daha iyi stabilite sunar. Cihaz, kablosuz iletişimi sağlamak için yalnızca invertör tarafında ek bir AP gerektirerek bu teknolojiyi doğal olarak destekler. Aynı zamanda bire bir ve bire çok hızlı ağ yapılandırmasını da destekleyerek evdeki çoklu invertör ve balkon mikro depolama sistemleri için uygun hale getirir.
Endüstriyel ve ticari enerji depolama, büyük ölçekli enerji depolama ve pil değiştirme istasyonları, ölçüm doğruluğu, yenileme hızı, kurulum esnekliği ve mevzuata uygunluk açısından katı standartlar gerektirir. Acrel, aşağıdaki gibi temel gereksinimlere dayalı olarak gömülü ve DIN rayına monteli enstrüman ürünleri sağlar: çoklu tarife faturalandırma, talep ölçümü, ters güç akışı koruması ve kablosuz iletişim , hem yeni kurulumları hem de retrofit uygulamalarını destekler.
APM521, yurt dışı CSA (UL) sertifikasına sahiptir ve 0,2 saniyeye kadar sınıfa (Sınıf D) kadar aktif enerji ölçüm doğruluğu sağlar. Gerçek zamanlı elektriksel parametreler için SD kart depolama alanıyla donatılmıştır. Modüler ana ünite genişletme modülü tasarımı, hem gömülü hem de DIN rayına montajı destekleyerek yeni projelerdeki farklı kurulum gereksinimlerini karşılar.
Bu, büyük müşteri uygulamalarında yaygın olarak kullanılan harici CT'li 0,5S sınıfı bir ölçüm cihazıdır. İkincil CT güçlendirme kablolamasını destekler ve mevcut akım trafolarının ikincil yan akımını doğrudan kenetleyebilir, bu da onu sayaç yenileme projeleri için son derece uygun hale getirir. Ürün, CPA, CE ve UL sertifikalarına sahiptir ve ayrıca yüksek performanslı uygulama gereksinimlerini karşılamak için yüksek hızlı yenileme sürümüne göre özelleştirilebilir.
Ayrıca endüstriyel ve ticari çözümler aşırı yük koruma fonksiyonlarını da entegre etmektedir. Sistem, yüksek ve alçak gerilim yan enerji depolama senaryolarına bağlanabilir ve farklı tarife yapıları altında doğru elektrik ölçümü elde etmek için çoklu tarifeli elektrik sayaçlarıyla çalışabilir, endüstriyel ve ticari enerji depolama sistemleri ve pil değiştirme istasyonları için kapsamlı güvenlik ve enerji yönetimi desteği sağlayabilir.
Yeni enerji endüstrisindeki sürekli iyileştirmeler bağlamında Acrel, yeniliğe odaklanmaya ve yeni enerjiyi destekleyen enstrümantasyon teknolojisini ve ürün sistemini daha da geliştirmeye devam edecek. Şirket daha verimli, akıllı ve güvenilir çözümler sunmayı hedefliyor elektrik ölçümü solutions ticari ve endüstriyel enerji depolama, pil değiştirme istasyonları ve ev tipi fotovoltaik depolama uygulamaları için yeni enerji endüstrisinin yüksek kaliteli gelişiminin desteklenmesine yardımcı olur.
